TYP CTS Rollen chian Führer

TYP CTS Rollen chian Führer. Zusammengesetzt auf der automatischen Produktionslinie, hat eine bessere Verschleißfestigkeit als Uhm-UHMW PE Kettenführung. Wir sind der erste, der die Extrusion von Nylon Kettenführung realisiert hat, weniger Kosten.
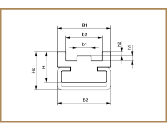
DIN 8187 (Ketten Nr.) Kettenabmessungen (Zoll) B1 H Hc b1 b2 h1 h2 Artikel Nummer.
06B-1 3/8 '' x 7/32 '' 20 14 17 3.8 13 1.5 1.1 KXT-CTS-06B-1-001
083-1 1/2 '' x 3/16 '' 20 14 17 3 12.4 1.6 1.4 KXT-CTS-083-1-002
085-1 1/2 '' x 1/4 '' 22 14 17 4.5 15.1 2.2 1.6 KXT-CTS-085-1-003
08B-1 1/2 '' x 5/16 '' 25 16 20 5.7 16.3 2.2 1.6 KXT-CTS-08B-1-004
- 5/8 '' x 1/4 '' 25 16 20 4.1 16.1 2.6 2.1 KXT-CTS-005
10B-1 5/8 '' x 3/8 '' 28 16 20 7.4 19.2 2.6 2.1 KXT-CTS-10B-1-006
12B-1 3/4 '' x 7/16 '' 30 18 22 9.2 21.8 2.4 2.8 KXT-CTS-12B-1-007
16B-1 1 '' x 17 mm 42 25 30 15 35 3.5 3.3 KXT-CTS-16B-1-008
20B-1 1 1/4 '' x 3/4 '' 50 30 35 16.8 40 4.2 4 KXT-CTS-20B-1-009


VORTEILE DER VERWENDUNG EXTRUDIERTER NYLON KETTENFÜHRER

1. Etwas niedrigere Kosten 
Einmaliger Extrusionsformprozess eliminierte die zusätzlichen CNC-Bearbeitungskosten und Arbeitskosten. 
2. Ultra-glattes Finish 
Extrusionsprozess macht die Oberfläche glatter, erhöht die Lebensdauer, reduziert die Reibung. 
3. Flexible Länge 
Extrudierte Nylon-Schiene kann je nach Kundenwunsch eine beliebige Länge (jeweils) erreichen. 
4. Höhere Präzision 
Experimente mit einem Typ "T" 3/8 "x7 / 32" als Beispiel, B = 15mm, H = 10mm, b = 5.4mm, h = 1.5mm, für die extrudierte Nylonkettenführungsprobe, beliebige Querschnittsabmessung Fehler innerhalb der ± 0,05mm; die 3 zufälligen UHMWPE Proben vom Markt, Größenfehlerbereich bei ± 0,8mm. 
5. Lösungen für die Größenänderung bei Wasseraufnahme 
Nylon ist wasserabsorbierend, hier verwenden wir wasserabweisende Additive und 25% ~ 35% Glasfaser, um die Nylonführung vor Größenausdehnung (in 1%) zu verhindern. 
6. Widerstandsfähigkeit tragen 
Der Reibungskoeffizient von 0,06 bis 0,11 ist der UHMWPE-Schiene (0,05 bis 0,08) nicht unterlegen. 
7. Längere Lebensdauer 
Ausgezeichnete mechanische Eigenschaften, bessere Verschleißfestigkeit, längere Lebensdauer als UHMWPE-Führung. 
8. Extrem höhere Betriebstemperatur 
UHMWPE Führer ist nur 80 ºC, hier kann Nylon Kettenführung bis zu 230 ºC sein. 
9. Super mechanische Eigenschaften 
Fast viermal wie die UHMWPE-Führung.

NEIN. MATERIAL VON KETTENFÜHRER HANDELSMARK ZERREISSFESTIGKEIT DICHTE BIEGENDE STÄRKE VICAT SOFTENING TEMPERATUR
1 glasfaserverstärktes Nylon66 PA66 + 30% GF 189 ~ 230 1,38 262 248
2 UHMWPE UHMWPE 30 ~ 50 0,94 11 95


PERFORMANCE

Die Leistungsfähigkeit der Wärmedämmstreifen entspricht der chinesischen Norm GB / T 23615.1-2009 und der europäischen Norm EN 14024: 2004 , für die KAXITE-Serie ist die Leistung eher höher als der Standardwert.

Details der zugehörigen Norm:

  • GB / T 23615.1-2009 Zugangsmaterial für architektonische Aluminiumlegierungsprofile - Teil 1: Wärmedämmstreifen aus Polyamid
  • EN 14024-2004 Metallprofile mit Wärmedämmung - Mechanische Leistung Anforderung, Nachweis und Prüfungen zur Beurteilung
  • YS / T 437-2008 Aluminiumprofile Moment der Trägheitsberechnungsmethoden und Rechensoftwareanforderungen
  • JG / T 174-2005 Wärmedämmstreifen für die Bauindustrie
  • GB 5237.6 -2012 Aluminium-Aluminium-Strangpressprofile für Architektur - Teil 6: Thermische Schrankenprofile
  • GB / T 8478-2008 Aluminiumfenster und Türen
  • GB / T 8484-2008 Graduierung und Prüfung auf thermisch isolierende Eigenschaften von Türen und Fenstern
  • JG 175-2011 Isolier-Aluminium-Legierungsprofile mit Wärmedämmung für Gebäude

I n 2015 wurde der Führer des chinesischen Nationalen Standardausschusses (zur Überarbeitung von GB / T 23615.1-2009) .


ROHES MATERIAL

Für die Qualität ist das Wichtigste, die Leistung der Rohstoffe zu kontrollieren, da wir die teuren, aber unentbehrlichen Zusätze (ex Antioxidantien und Anti-Aging-Mittel) in der Mischung enthalten müssen. Wir haben unsere eigene Granulationskapazität für PA66 GF25 und viele andere Arten von Kunststoffgranulaten. Wir sind der einzige, der die Technologie der Vakuumtrocknung für das Polyamid verwendet hat, was die natürliche Leistungsfähigkeit der Nylongranulate stark verbessern könnte.

Wir haben eine Reihe von Marken, die verschiedenen Rohstoffen entsprechen . Für inländische Serien werden sie die inländischen neuen PA66 und kurz gehackten Fiberglas, für KAXITE Serie, werden sie die importierten Dupond PA66 und kurz gehackt Fiberglas, die eine bessere Leistung als die Standard-erforderlich ist.


SCHNEIDEN

Meistens konnten wir die Entwicklung neuer Produkte in 15 Tagen beenden.

Die härteste Sache ist nicht denken, aber realisieren. Die meisten Kunden waren verärgert, dass niemand die Formen entwickeln konnte, die sie entwarfen, einige Pendants kamen sogar und suchten Hilfe für unsere Werkstatt. Wir entwickeln und schneiden neue Düsen für unsere Kunden, natürlich haben wir uns niemals eine Form für unsere Kunden entwickelt. 


LIEFERUNG

Wir haben mehr als 40 Extruder, Produktionskapazität von 550.000 Metern pro Tag. Für gemeinsame Spezifikationen sind sie auf Lager bereit, wenn es angepasst ist, meistens die Produktion konnte in 7 Tagen fertig sein.